台北新北法拍218近中壢車站健行科大頂增透天附車位

889法拍網
法拍屋,法拍屋代標,法拍屋出售
桃園廠房,桃園廠房出租,桃園工業地

台北新北法拍218近中壢車站健行科大頂增透天附車位|桃園市-中壢區-法拍屋

台北新北法拍|218 近中壢車站|健行科大|頂增透天附車位
列印
  • 售1353萬5000元
    1. 案號:桃園113七17964
    2. 房屋類型:法拍透天_附頂樓加蓋
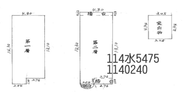
    3. 總登記坪數:46.46坪
    4. 每坪單價:29.13萬/坪
    5. 地址:桃園市中壢區星文二街32號2層樓( 附同棟暨三四層頂加增建坪43.02坪 . 土地32.67坪 )
    1. (煩請告知聯絡人,您是在House-Info房屋網看到廣告,感恩幫忙)
    2. 0986-666-000
    1. 市話:
    2. 公司名稱:
    3. 公司地址:
    4. 個人網站:
    一零四法拍網股份有限公司 / 統一編號 28306523-QR CODE 留言 檢舉
物件介紹
詳細資料
格局
2層樓透天厝( 附同棟暨三四層頂加增建坪43.02坪 . 土地32.67坪 )
屋齡
39年
車位
庭院車位
無障礙環境
沒有
所在樓層
1+2+3+4層樓/共2層樓
管委會
沒有
中庭
沒有
電梯
沒有
邊間
不是
是否凶宅
不是
法拍屋
本件是法拍拍賣房子
拍次
4
開標日期
114/12/18(四) 14:30
坪數說明
建物登記
46.46
主建物
39.52
附屬建物
6.94
增建
43.02
土地登記
32.67
特色描述
104法拍網代標//透明房訊 //法拍讀書會//透明實價網//投資課程㊣㊣㊣業界最大法拍屋專業機構㊣㊣㊣
法拍個案拍賣資訊均與 司法院 // 台灣金融資產服務股份有限公司// 法務部行政執行署拍賣資訊同步刊登,隨時更新!!!
★法拍屋不提供賞屋服務→可透過地政機關建物平面圖、位置圖等資料分析判斷之★

本件拍賣資訊節錄:
點交情形→經債務人開門入屋以肉眼檢視,一樓及車庫空間皆堆置生活雜務,無明顯漏水壁癌痕跡。經詢問債務人彭O琴,標的房屋為彭月琴及其孫子自住,未出租。無地震颱風火災受損、無輻射、海砂屋或非自然死亡情形。房屋內無漏水壁癌,但頂樓增建之鐵皮屋頂大雨時有時會滴水。經地政測量,一樓前後增建遮雨棚,二樓無增建,三樓除原有屋凸部分皆為增建,四樓整層增建遮雨棚。債務人現實佔有中,拍定後點交。

謄本資料→[謄本]:總坪數46.46坪[主建坪39.52坪,附屬坪6.94坪],另增建坪43.02坪(建號:12881)[加強磚造/住家用];土地:32.67坪

是【大學法律學系的法學士】→1996年畢業
也是【通過國家考試及格執業21年的代書】→2004年迄今
更是【任職律師事務所職司法律相關事務30年的法務經理】→1995年迄今
能精準為您分析判讀法拍個案的觸角,維繫您的個案權益。
專業指名:張世興代書            
服務專線:02-2263-1206
行動電話:0986-666-000

公司名稱:一零四法拍網股份有限公司/統一編號28306523
經紀人名字&字號:林桂英/北市經證第001243號
營業員名字&證照號碼:張世興/(107)登字第331706號

個案物件均依各拍賣機關拍賣公告底價投開標.如當拍未拍定時,除經債權人聲明指定底價外.原則依前拍底價酌減20%估算次拍底價(強制執行法第91條、92條參照)
【第一拍:2349.5萬114年09月11日流標】
【第二拍:1879.6萬114年10月16日流標】
【第三拍:1503.8萬114年11月20日流標】

【第四拍:1353.5萬114年12月18日待標】

張世興代書→其他法拍屋搜尋網站:
H0USEINFO→ http://www.沿金標法拍.tw
樂屋網→ https://vip.rakuya.com.tw/0986666000/sell
物件照片
桃園中壢法拍屋法拍-0
桃園中壢法拍屋法拍-0
桃園中壢法拍屋法拍-1
桃園中壢法拍屋法拍-1
桃園中壢法拍屋法拍-2
桃園中壢法拍屋法拍-2
桃園中壢法拍屋法拍-3
桃園中壢法拍屋法拍-3
桃園中壢法拍屋法拍-4
桃園中壢法拍屋法拍-4
桃園中壢法拍屋法拍-5
桃園中壢法拍屋法拍-5
桃園中壢法拍屋法拍-6
桃園中壢法拍屋法拍-6
桃園中壢法拍屋法拍-7
桃園中壢法拍屋法拍-7
桃園中壢法拍屋法拍-8
桃園中壢法拍屋法拍-8
桃園中壢法拍屋法拍-9
桃園中壢法拍屋法拍-9
贊助商廣告
大桃園廠房,大桃園工業地,大桃園工業地廠房
桃園廠房出租,桃園工業地,桃園廠房工業地
物件留言
請注意,如果您詢問的內容與物件不相符合或是廣告,經過審核,系統將會直接刪除您的發問內容
等待圖示
檢舉不實
等待圖示
黃金曝光
889法拍網免責聲明:本系統為開放租用式法拍拍賣聯賣網站建置平台,僅提供查詢-桃園,中壢,法拍屋-等法拍資訊參考,並不涉入任何諮詢、交易。物件(服務)聯絡人公佈的資訊、文字、照片、圖形、產權、廣告內容、或其他資料若有不實或違法情事,或與客戶聯絡交易過程中若衍生民事或刑事等法律問題,皆與本網站無關,所有商標、文章、名稱等版權,皆歸屬原著作者所有!